Описание
Характеристики
Отзывы
Описание
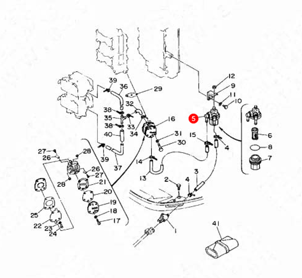
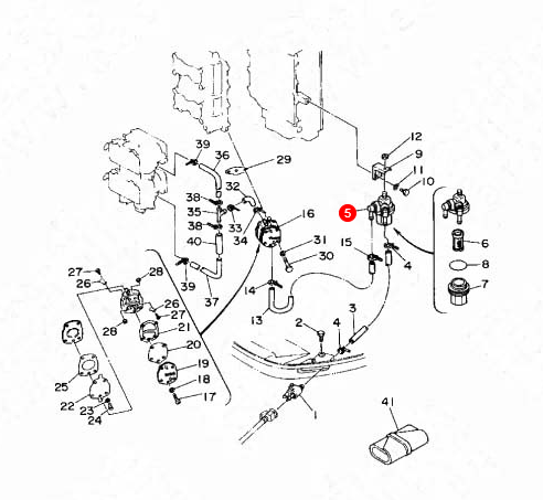
Фильтр топливный Yamaha в сборе - новая оригинальная запчасть Ямаха 6R3245600000 Для лодочных моторов: Yamaha 100, Yamaha 115, Yamaha 130, Yamaha 140, Yamaha 150, Yamaha 175, Yamaha 200, Yamaha 225, Yamaha D150, Yamaha L130, Yamaha L150, Yamaha L200Артикул: 6R3245600000; В0000200358
Характеристики
Артикул
В0000200358
Страна производства
Япония
Бренд
Yamaha
Комплектация
Фильтр 1шт
Вес товара без упаковки (г)
500
Марка автомобиля
yamaha
Артикул производителя
6R3245600000
Объединять на одной карточке
240091570
Отзывы
Отзывов еще никто не оставлял
