Описание
    
  
      
      
        
  
    
    Характеристики
    
  
      
      
        
  
    
    
        Отзывы
        
    
    
  
      
      
        
      
        
      
    
    
    Описание
    
  
        
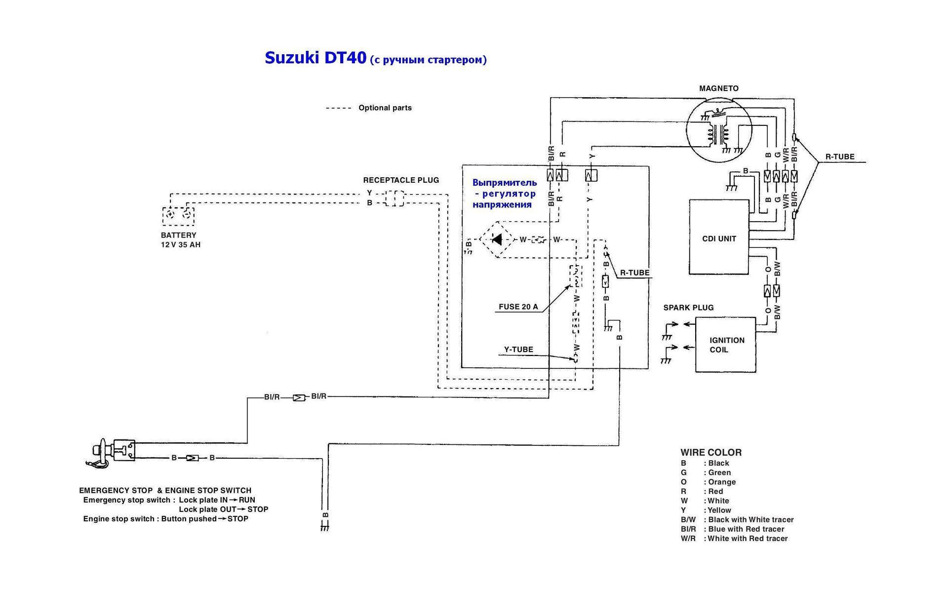
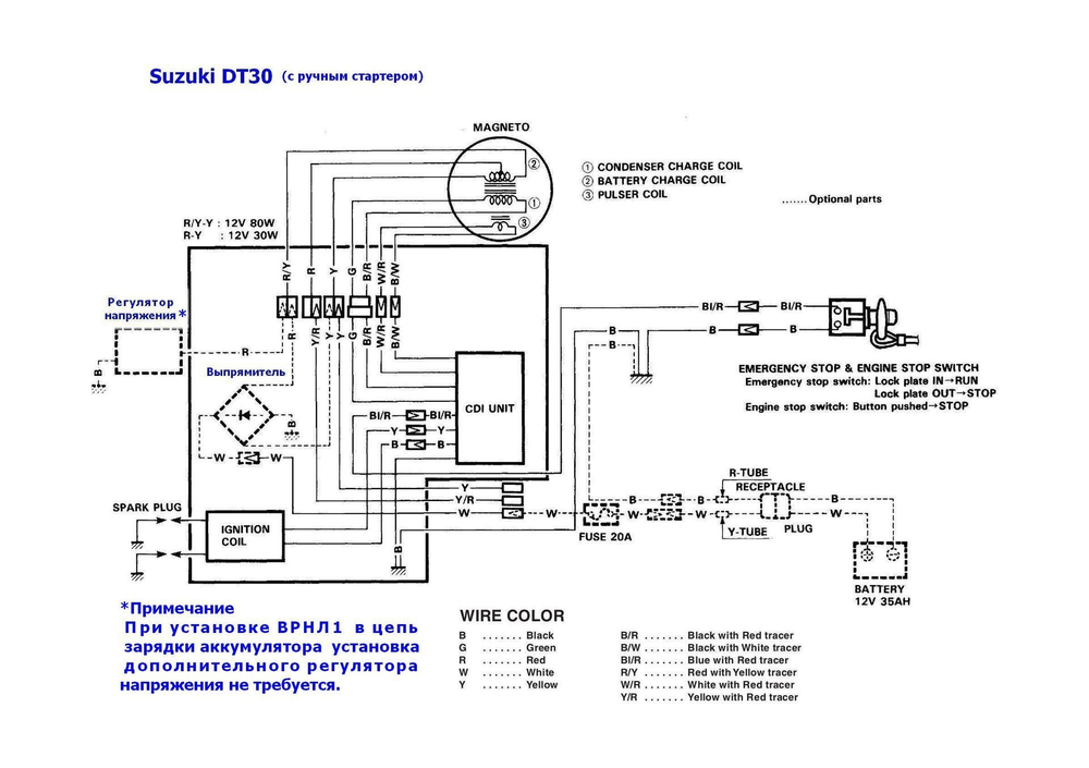
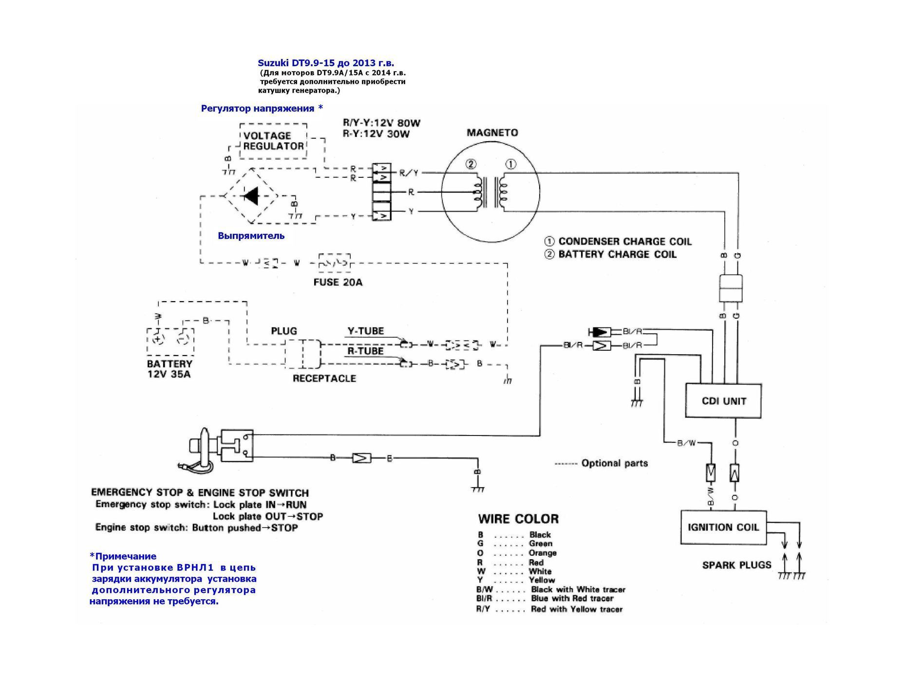
            Выпрямитель-регулятор нового поколения ВРНЛ-1М предназначен для применения с 2-тактными моторами с ручным запуском мощностью 9.9~40 л.с. Регулятор рассчитан на подключение только к генераторной катушке подвесного лодочного мотора мощностью не более 80-ти ватт. Подключение регулятора к другим источникам напряжения недопустимо. Выпрямитель-регулятор собран на диодах Шоттки с малыми потерями, что снизило вдвое потери на нагрев устройства по сравнению с выпрямителями-регуляторами на кремниевых диодах и позволило уменьшить вдвое габариты по сравнению с устройством ВРНЛ-1. Габариты нового регулятора 50х50х21.5 мм. Этот регулятор начинает выдавать ток зарядки аккумулятора с 1000 об/мин на двухтактном моторе с 80-ваттной генераторной катушкой против 1100 об/мин с обычным регулятором.
Характеристики
Размеры: 50x50x21.5
Мощность катушки ген-ра: до 80
Выходное напряжение рег-ра: 12.8-15
Ток максимальный: 8
Мощность нагрузки без АКБ: 15
Ёмкость АКБ, не менее: 12
Рабочая температура: от - 40°С до +85 °С
Моторы: от 9.9 до 40 л.с.
Примечание
Примечание: Представляет собой полную замену более ранней версии регулятора ВРНЛ-1 Важно! Недопустимо заменять сгоревший предохранитель регулятора случайной проволочкой ("жучком"), поскольку это может привести к выходу из строя регулятора и генераторных катушек мотора при случайной переполюсовке аккумулятора
Информация о производителе
Производитель: ИП Гусаков
Страна производителя: Россия
          
        
    
    Характеристики
    
  
        Артикул
                    
                    
                      
                        В000347075
                      
                    
                  Страна производства
                    
                    
                      
                        Россия
                      
                    
                  Бренд
                    
                    
                      
                        Нет бренда
                      
                    
                  Объединять на одной карточке
                    
                    
                      
                        229866206
                      
                    
                  
    
    
        Отзывы
        
    
    
  
        Отзывов еще никто не оставлял
                
              
      
                                
                                
                                
                                
                                
                                
                                
                                
                                
                                
                                
                                
                                
                                
                                
                                
                                
                                
                                
                                