Описание
    
  
      
      
        
  
    
    Характеристики
    
  
      
      
        
  
    
    
        Отзывы
        
    
    
  
      
      
        
      
        
      
    
    
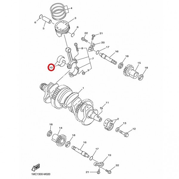
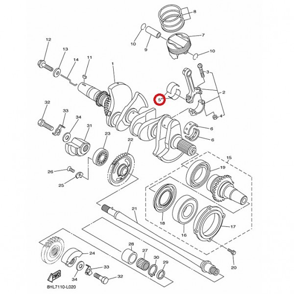
    Описание
    
  
        Применяется на технику Yamaha следующих моделей:
FJR1300: 2001-2013
FX Nytro: 2008-2013
RS Nytro: 2005-2014
RS Venture TF: 2005-2014
RS Vector: 2005-2014
RS Rage: 2005-2014
SR Viper: 2014-2015
VK 10 RS Viking Professional: 2006-2012.
    
    Характеристики
    
  
        Производитель
                    
                    
                      
                        Yamaha
                      
                    
                  Страна производства
                    
                    
                      
                        Япония
                      
                    
                  
    
    
        Отзывы
        
    
    
  
        Отзывов еще никто не оставлял
                
              
      
                                
                                
                                
                                
                                
                                
                                
                                
                                
                                
                                
                                
                                
                                
                                
                                
                                
                                
                                
                                