Описание
Характеристики
Отзывы
Описание
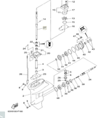
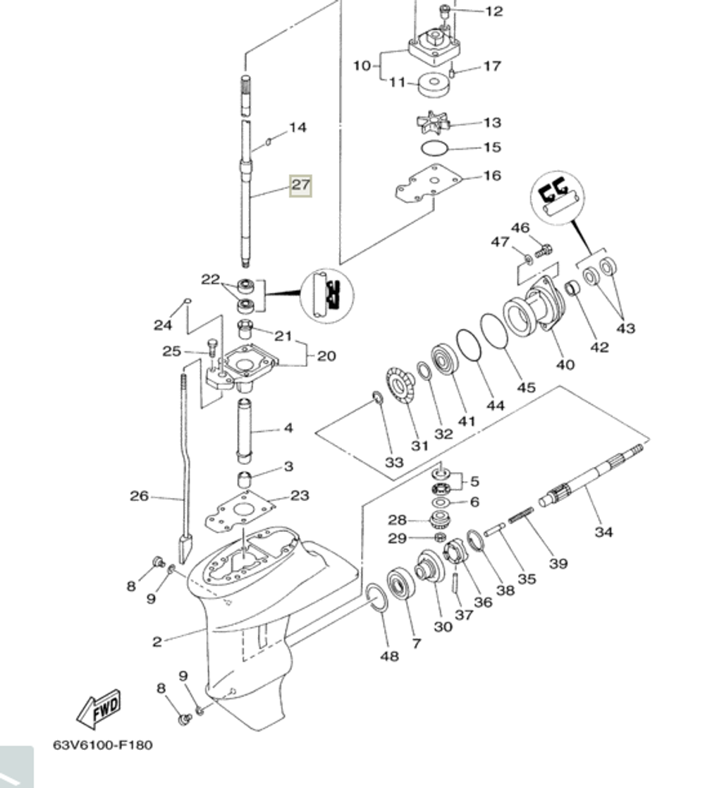
Вертикальный вал для лодочных моторов Yamaha
Аналоги: 869-1220
Устанавливается на следующие модели:
Yamaha 15
Yamaha 9.9
Yamaha F15
Yamaha F9.9
Артикул: 63V4551001; В0000032689
Аналоги: 869-1220
Устанавливается на следующие модели:
Yamaha 15
Yamaha 9.9
Yamaha F15
Yamaha F9.9
Артикул: 63V4551001; В0000032689
Характеристики
Производитель
Yamaha
Производитель лодочного мотора
Yamaha
Тип запчасти
Вал
Отзывы
Отзывов еще никто не оставлял
