Описание
Отзывы
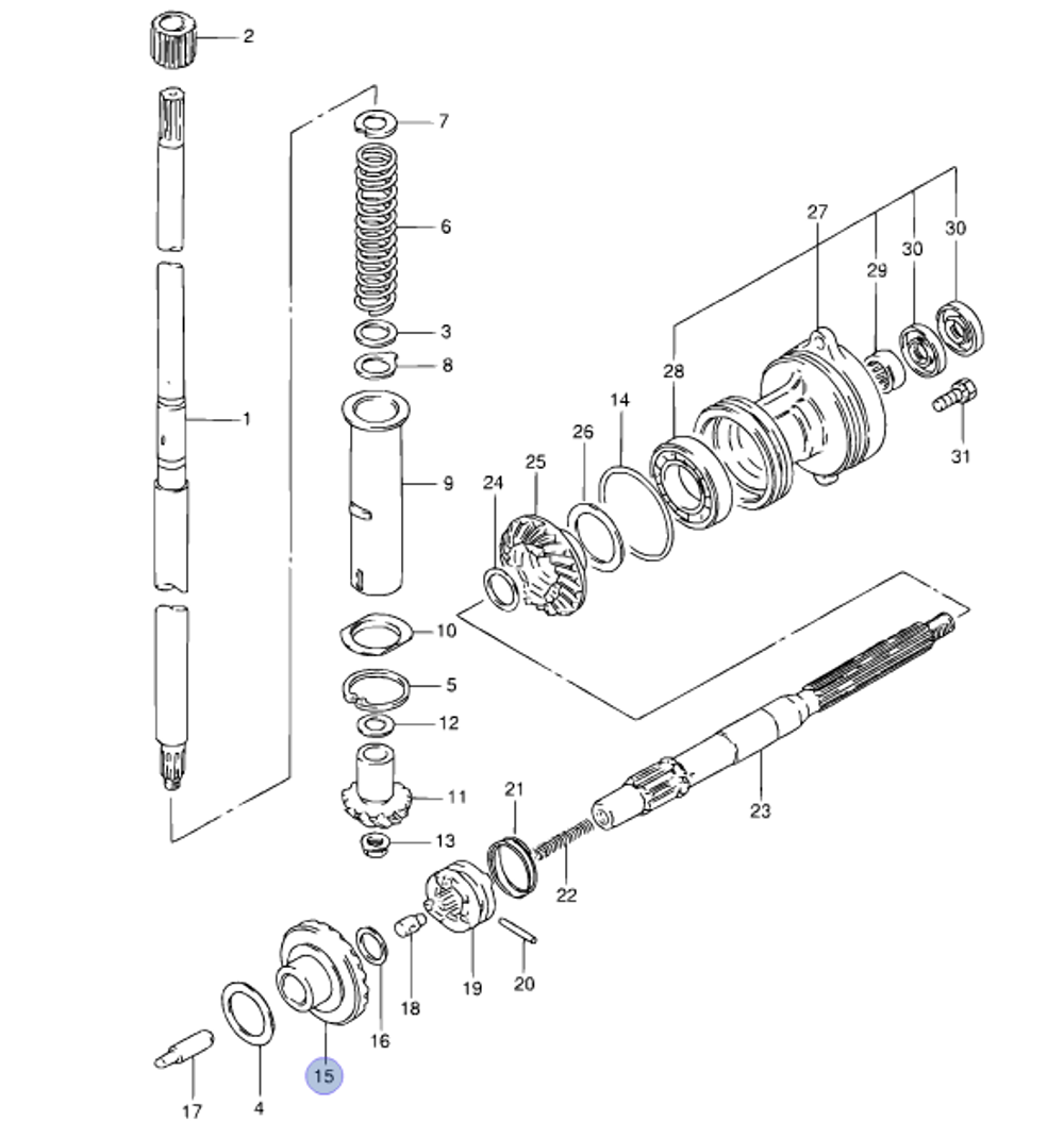
Описание
Артикул: 869-3974; В000292167
Отзывы
Отзывов еще никто не оставлял
