Описание
Характеристики
Отзывы
Описание
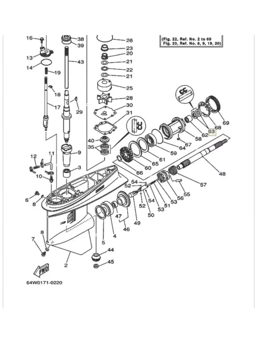
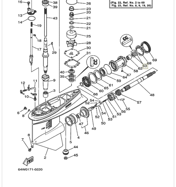
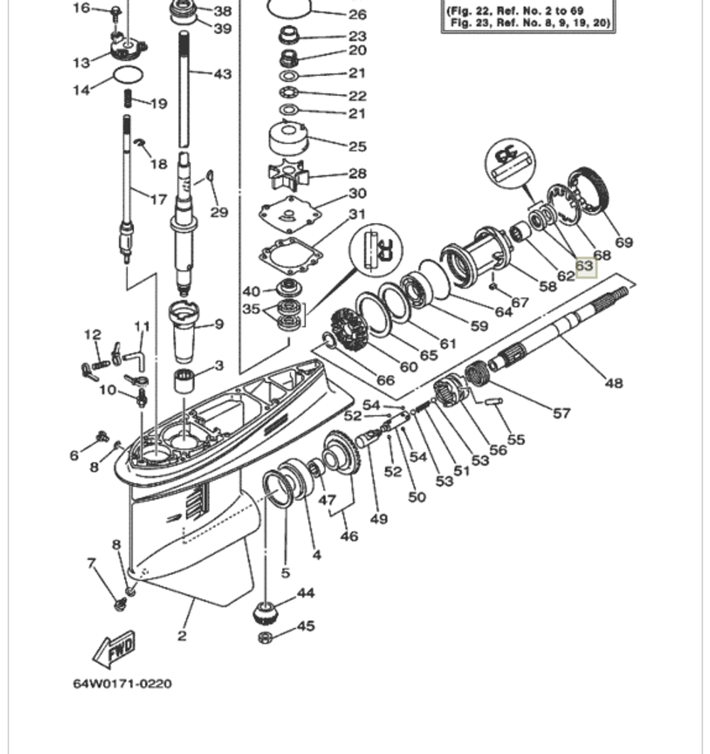
Сальник гребного вала для лодочных моторов Yamaha Устанавливается на следующие модели: Yamaha 100-250 Yamaha F80-F300Артикул: 9310130M1700; В0000180331
Характеристики
Артикул
В0000180331
Бренд
Yamaha
Артикул производителя
9310130M1700
Объединять на одной карточке
168432563
Отзывы
Отзывов еще никто не оставлял
