Описание
Характеристики
Отзывы
Описание
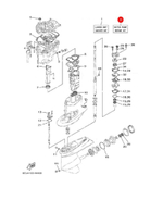
Ремкомплект помпы Kacawa Yamaha F40/F70A
OEM: 6CJ-W0078-00-00
В комплект входит:
- 1 X 63D-44312-00-00 — крышка корпуса водяного насоса (63D)
- 1 X 63D-44322-00-00 - вставка для картриджа (63D)
- 1 X 663-44366-00-00 - Гидрозатвор (6BG)
- 1 X 6CJ-44315-00-00 — прокладка водяного насоса
- 1 X 6CJ-44316-00-00 — прокладка водяного насоса
- 1 X 6CJ-44323-00-00 — Картридж внешней пластины
- 1 X 6CJ-44324-00-00 - прокладка картриджа
- 1 X 6H3-44352-00-00 - Полная мощность плюс неопреновая крыльчатка
- 2 X 90119-08M33-00 - Болт с шайбой
- 2 X 90119-08M14-00 - Болт с шайбой
- 1 X 90280-03M03-00 - Ключ Вудраффа
- 1 X 93210-46044-00 - уплотнительное кольцо
- 2 Х 93101-23070-00 - Сальник
- 2 X 93604-10M03-00 - Установочный штифт
Характеристики
Бренд
KACAWA
Изготовитель
KACAWA
Отзывы
Отзывов еще никто не оставлял
