Описание
Характеристики
Отзывы
Описание
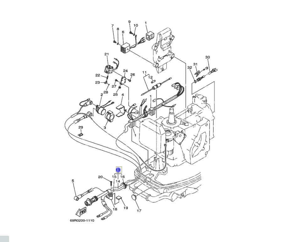
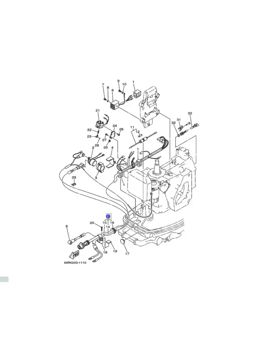
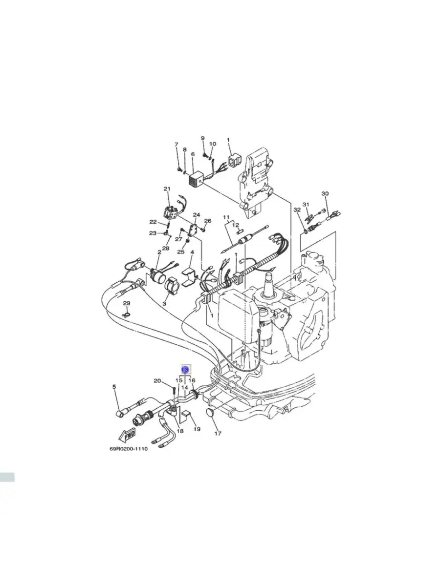
Жгут проводов, для лодочных моторов Yamaha. Устанавливается на следующие модели: Yamaha 25 Yamaha 30Артикул: 61T825800000; В0000158550
Характеристики
Артикул
В0000158550
Бренд
Yamaha
Артикул производителя
61T825800000
Объединять на одной карточке
168425944
Отзывы
Отзывов еще никто не оставлял
