Описание
Характеристики
Отзывы
Описание
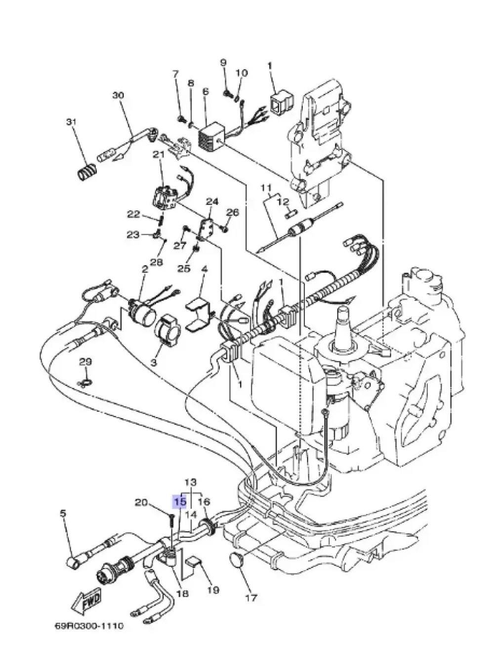
Провода электрические, для лодочных моторов Yamaha Устанавливается на следующие модели лодочных моторов : Yamaha 25B Yamaha E25B Yamaha 30H Yamaha E30H Yamaha 30D Yamaha 30DETOL Yamaha 30G Yamaha 25V Yamaha EK25A Yamaha 25VMKАртикул: 689821051300; В0000156399
Характеристики
Артикул
В0000156399
Бренд
Yamaha
Артикул производителя
689821051300
Объединять на одной карточке
168425911
Отзывы
Отзывов еще никто не оставлял
