Описание
Характеристики
Отзывы
Описание
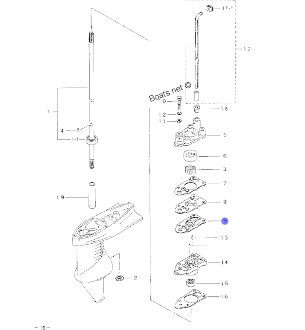
Оригинальная прокладка помпы охлаждения, для лодочных моторов Tohatsu.
Устанавливается на следующие модели:
M2.5A2
M3.5A2
M3.5B
M3.5B2
MFS2.5A
MFS2.5B
MFS2A
MFS2B
MFS3.5A
MFS3.5B
Характеристики
Производитель
Tohatsu
Производитель лодочного мотора
Tohatsu
Тип запчасти
Прокладка
Бренд
Tohatsu
Название модели (для объединения в одну карточку)
3F0-65029-0
Тип
Запчасти для лодочных моторов,
Лодочный мотор
Маркетплейс
Ozon
Отзывы
Отзывов еще никто не оставлял
