Описание
Характеристики
Отзывы
Описание
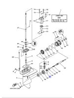
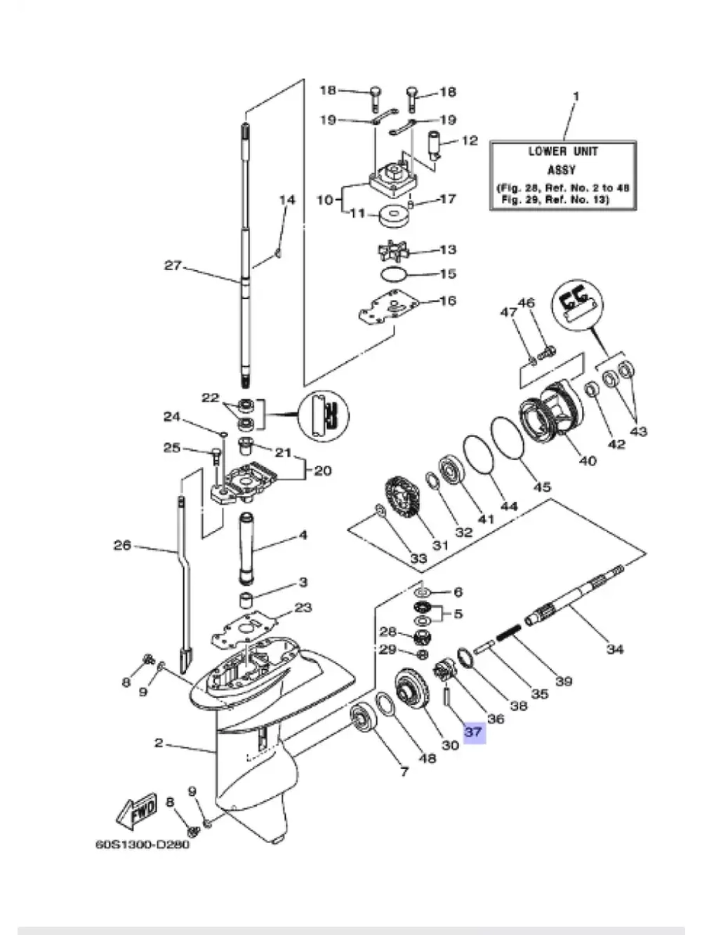
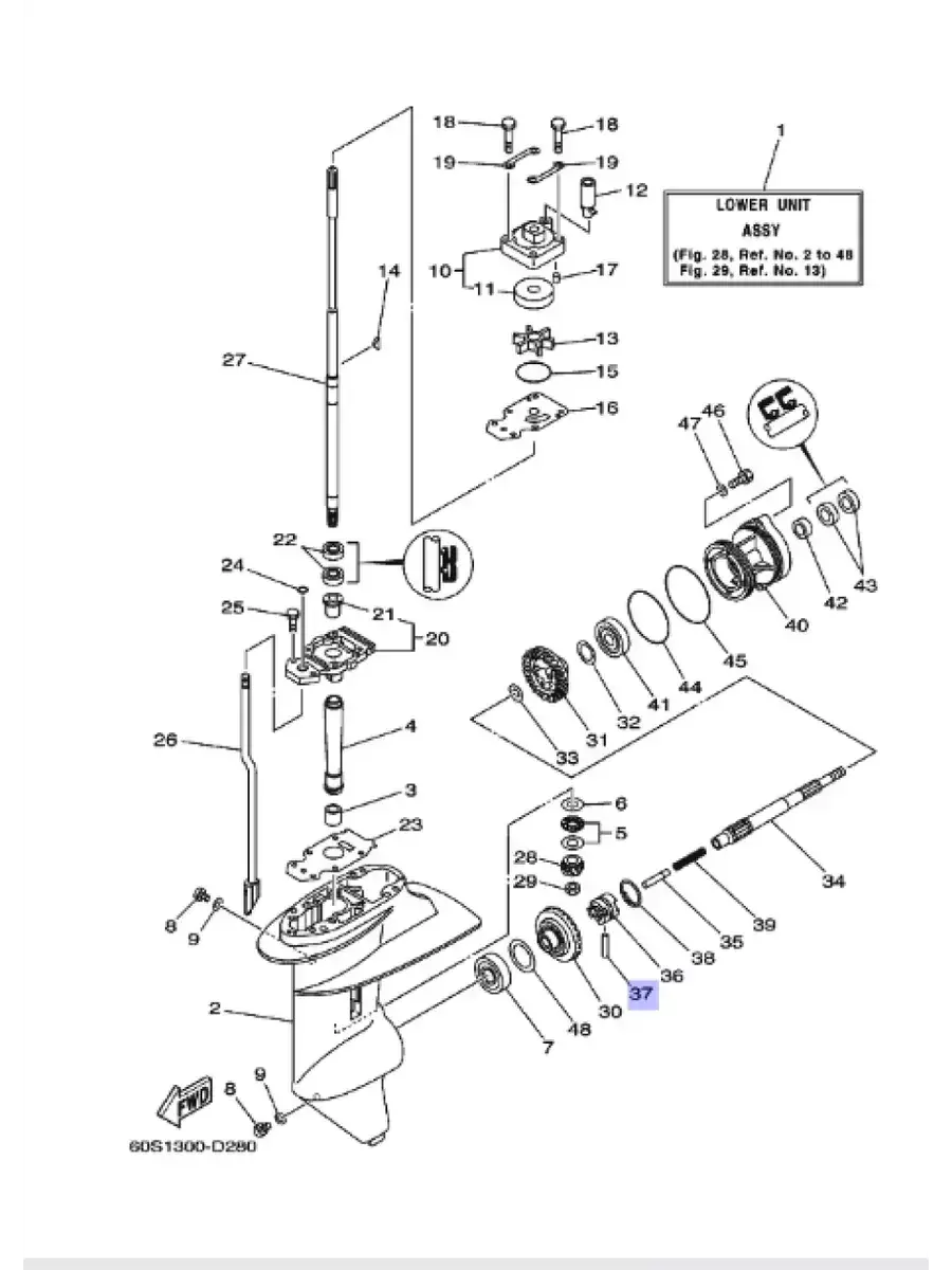
Штифт муфты переключения передач, для лодочных моторов Yamaha Устанавливается на следующие модели: 13.5 15 20 25 30 9.9 F13.5 F15 F20 F25 F45 F8 F9.9 FT8 FT9.9Артикул: 902500501000; В0000141596
Характеристики
Артикул
В0000141596
Бренд
Yamaha
Артикул производителя
902500501000
Объединять на одной карточке
168466603
Отзывы
Отзывов еще никто не оставлял
