Описание
Характеристики
Отзывы
Описание
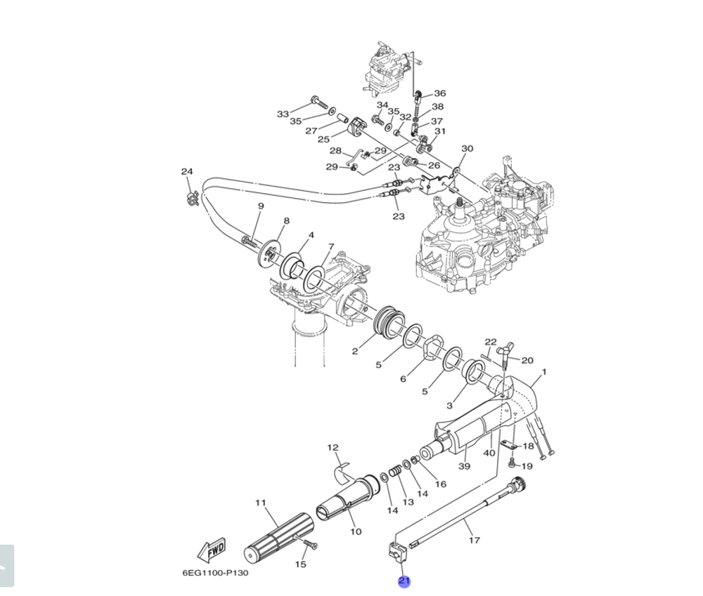
Фрикционный блок румпеля, для лодочных моторов Yamaha
Устанавливается на следующие модели лодочных моторов :
Yamaha F2
Yamaha F2.5
Yamaha F4
Yamaha F5
Yamaha F6
Артикул: 6G1421260000; В0000123018
Характеристики
Производитель
Yamaha
Производитель лодочного мотора
Yamaha
Тип запчасти
Накладка
Отзывы
Отзывов еще никто не оставлял
