Описание
Характеристики
Отзывы
Описание
Лебедка Vantage 3000-S идеально подходит для тех кому нужна мощь в сочетании со стоимостью. Vantage 3000-S является отличным выбором для буксировки квадроцикла или перемещения тяжелых грузов. Сочетание производительности мощности мотра и тягового усилия (1361кг)это Vantage 3000-S.
Внимание: монтажная плита не входит в комплект. Для каждой модели квадроцикла монтажная плита приобретается отдельно.
Характеристики:
- Тяговое усилие: 3000 lbs. (1361 кг).
- Электромотор: 12В, Герметичный, с постоянными магнитами.
- Контроль : герметичный мини-переключатель на руле.
- Редуктор: 3-х ступенчатый, полностью металлический, планетарный.
- Тормоз: Динамический, Self механизм блокировки
- Тросоукладчик : Алюминиевый клюз
- Трос: кевларовый, синтетический; 15 метров; диаметр 5 мм
- Рекомендуемый аккумулятор (минимум): 12 амп/час
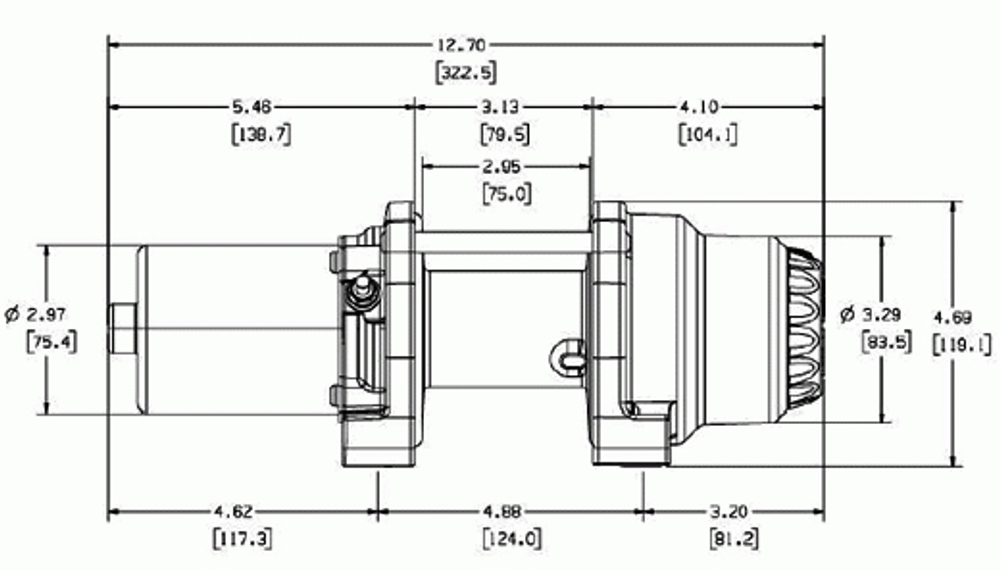
- Размеры(Д*Ш*В): 323*115*119
Характеристики
Производитель
WARN
Отзывы
Отзывов еще никто не оставлял
