Описание
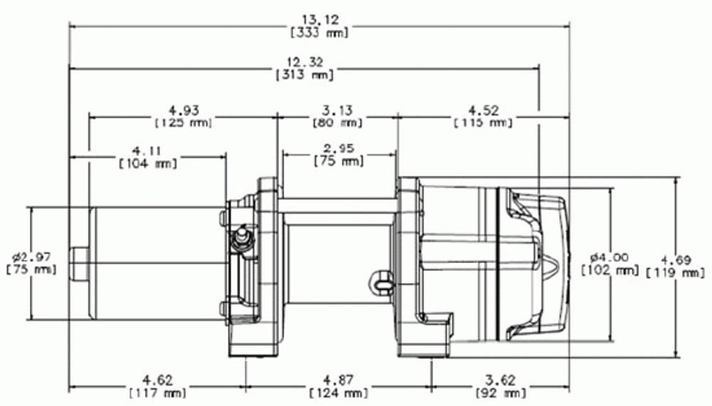
Характеристики
Отзывы
Описание
WARN представляет новую лебедку выполненную из высококачественных компонентов, имеющую цельнометаллический корпус для среднеразмерных квадроциклов ProVantege 2500-S, с синтетическим тросом (ограниченная партия беспроводной пульт управления в комплекте). Тяговое усилие 2500 фунтов или 1134 кг, мощный двигатель с постоянным магнитом. Благодаря этим новаторским идеям лебедка ProVantage - является лидером на рынке.
Внимание: монтажная плита не входит в комплект. Для каждой модели квадроцикла монтажная плита приобретается отдельно.
Характеристики:
- Тяговое усилие: 2500 lbs. (1134 кг).
- Электромотор: 12В, 0.9 л. с. Герметичный, с постоянными магнитами.
- Контроль : герметичный мини-переключатель на руле + дистанционный беспроводной (лимитированная партия).
- Редуктор: полностью металлический 3-х ступенчатый планетарный.
- Коэффициент редукции: 154:1.
- Тормоз: дисковый.
- Длина/диаметр барабана мм: 52/74
- Тросоукладчик : Алюминиевый клюз
- Трос: кевларовый, синтетический; 15 метров; диаметр 4,8 мм
- Рекомендуемый аккумулятор (минимум): 12 амп/час
- Масса лебедки: 6,4 кг
Характеристики
Производитель
WARN
Отзывы
Отзывов еще никто не оставлял
