Описание
Характеристики
Отзывы
Описание
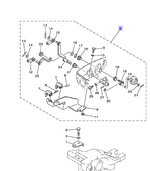
Комплект подключения дистанционного управления для лодочных моторов Yamaha Устанавливается на следующие модели: Yamaha 9.9/15Артикул: 63V485010000; В0000078050
Характеристики
Артикул
В0000078050
Модель
63V485010000
Бренд
Yamaha
Объединять на одной карточке
168400558
Отзывы
Отзывов еще никто не оставлял
