Описание
Отзывы
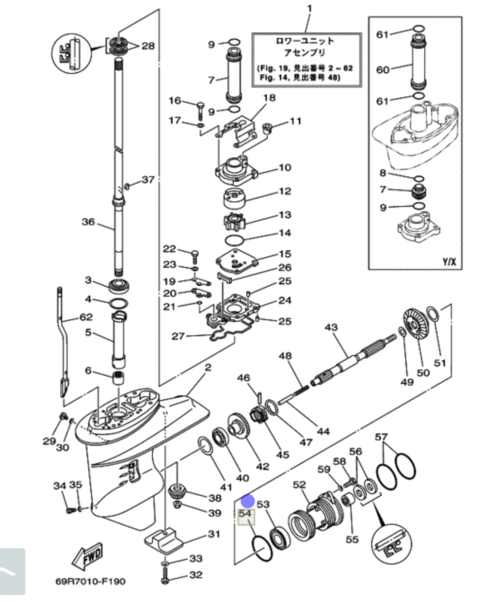
Описание
Артикул: 869-8528; В000292010
Отзывы
Отзывов еще никто не оставлял
