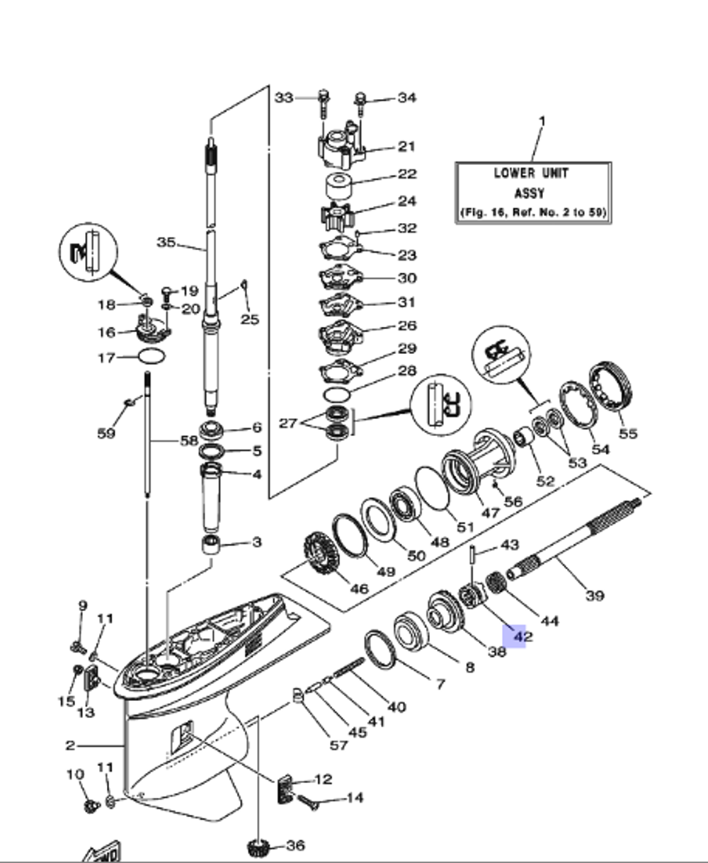
Описание
Отзывы
Описание
Артикул: 869-4193; В000292143
Отзывы
Отзывов еще никто не оставлял
