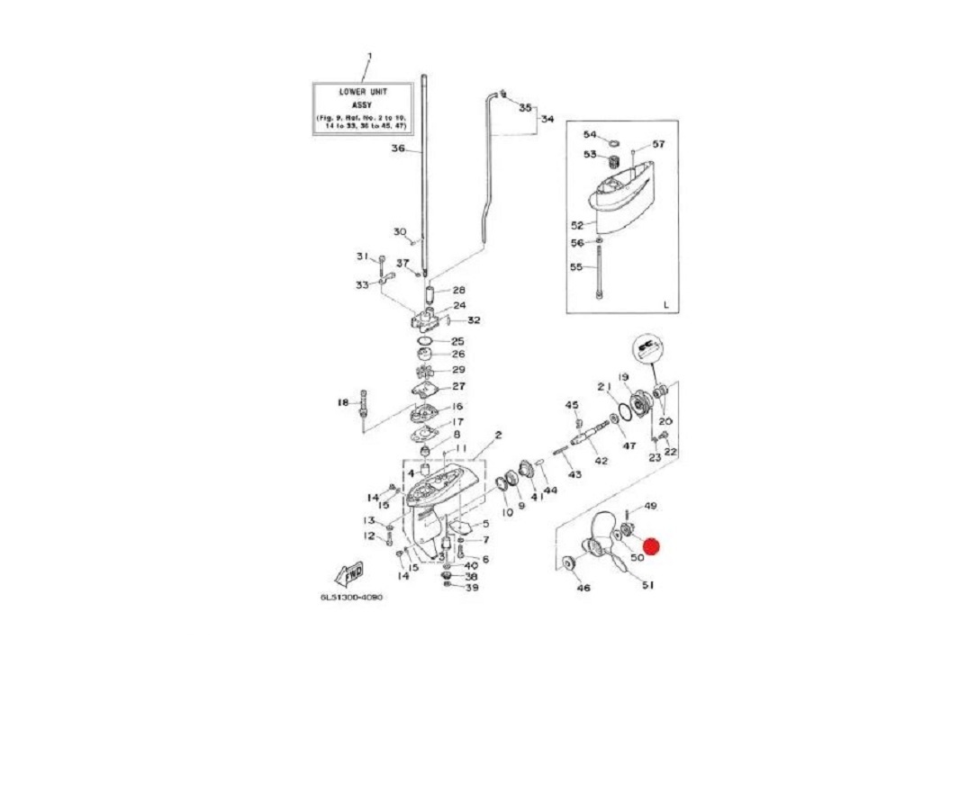
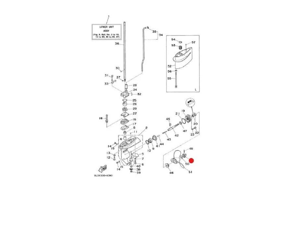
Гайка крепления винта выполнена из материалов высокого качества, соответствующих всем критериям безопасности и экологичности, что гарантирует ее прочность и долговечность. Кроме того, она идеально подойдет вашему мотору, поэтому вам не придется беспокоится о проблемах совместимости.
Подходит на такие подвесные лодочные моторы, как Yamaha 3 (Malta), Yamaha 4, Yamaha 5, Yamaha F2, Yamaha F2.5, Yamaha F4, Yamaha F5, Yamaha F6, Sea-Pro T3P, Sea-Pro T5P, Sea-Pro F2.5, Sea-Pro F5, также подойдет на лодочные моторы Toyama (Тойама), Mikatsu (Микатсу), Mercury (Меркури), Painier (Пионер) и пр.
OEM номера Yamaha (Ямаха):6L5-45616-00-00;6L5456160000;6L5-45616-00;6L54561600;6L5 45616 00
OEM номера Sea-Pro (Сиа про): 5MHS-11050
В комплект входит: гайка крепления винта Yamaha (Ямаха) F2-F6 (6L5-45616-00) - 1 шт. Состояние: новое
Подходит для моторов Yamaha и всех его аналогов (Tarpon, Gladiaor, HDX, Toyama, Allfa и пр.)
