Описание
Характеристики
Отзывы
Описание
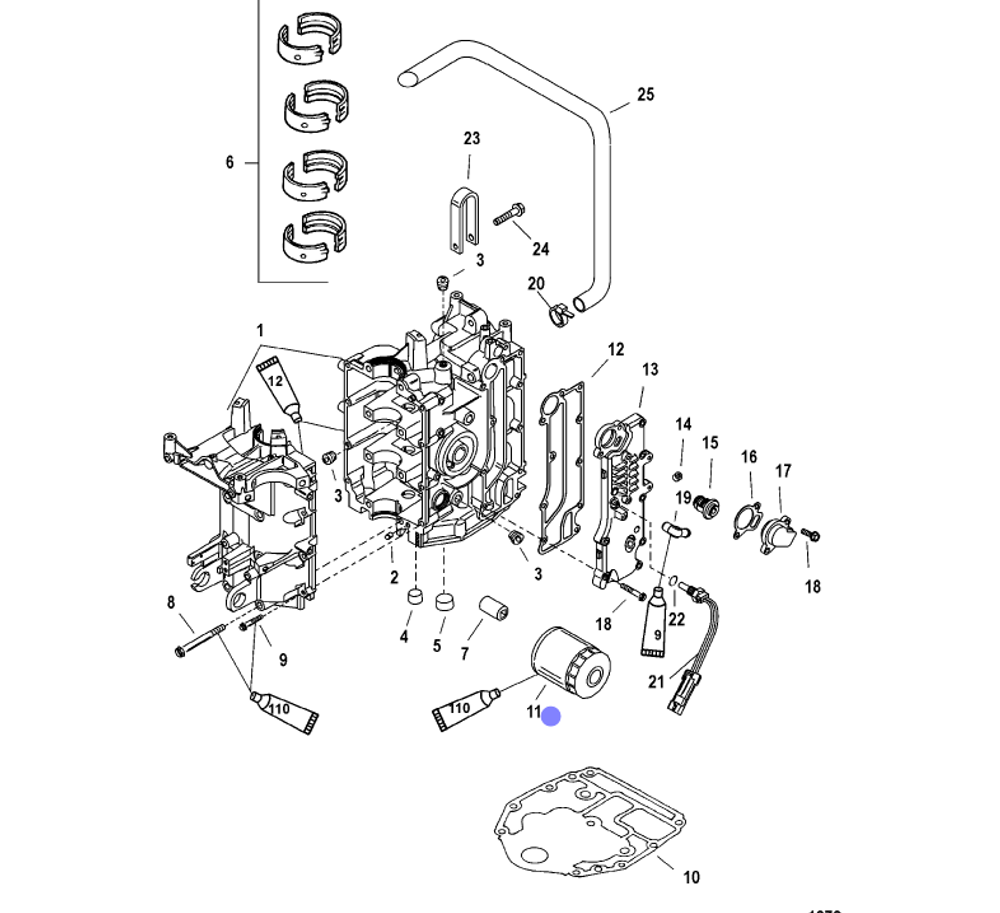
Масляный фильтр для лодочных моторов Mercury Аналоги: Mercury 35-822626T Quicksilver 35-822626Q04 Yamaha 69J-13440-00-00 Устанавливается на следующие модели: Yamaha F150 и выше Mercury/Mariner F8, F9.9, F15/20, F25/30 hp. EFIАртикул: 869-7727; В000292344
Характеристики
Производитель
SM-Motors
Производитель лодочного мотора
Mercury
Тип фильтра
Масляный
Отзывы
Отзывов еще никто не оставлял
