Описание
Характеристики
Отзывы
Описание
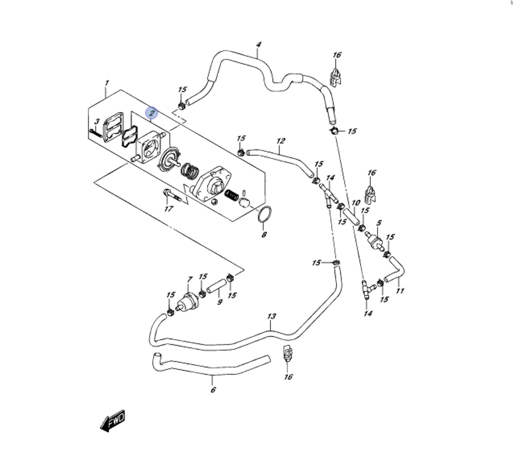
Ремкомплект (мембраны) топливного насоса, для лодочных моторов Suzuki Устанавливается на следующие модели: Suzuki DF4-DF6Артикул: 15170-91J01-000; В0000051546
Характеристики
Производитель
Suzuki
Производитель лодочного мотора
Suzuki
Тип запчасти
Рем.комплект
Бренд
Нет бренда
Название модели (для объединения в одну карточку)
15170-91J01-000
Тип
Запчасти для лодочных моторов
Маркетплейс
Ozon
Отзывы
Отзывов еще никто не оставлял
