Описание
Характеристики
Отзывы
Описание
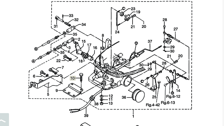
Болт для подвесных лодочных моторов Tohatsu.Артикул: 910103-0830; В0000021150
Характеристики
Артикул
В0000021150
Бренд
Tohatsu
Артикул производителя
910103-0830
Объединять на одной карточке
170937125
Отзывы
Отзывов еще никто не оставлял
